安徽威帆傳動機械有限公司-產品資料

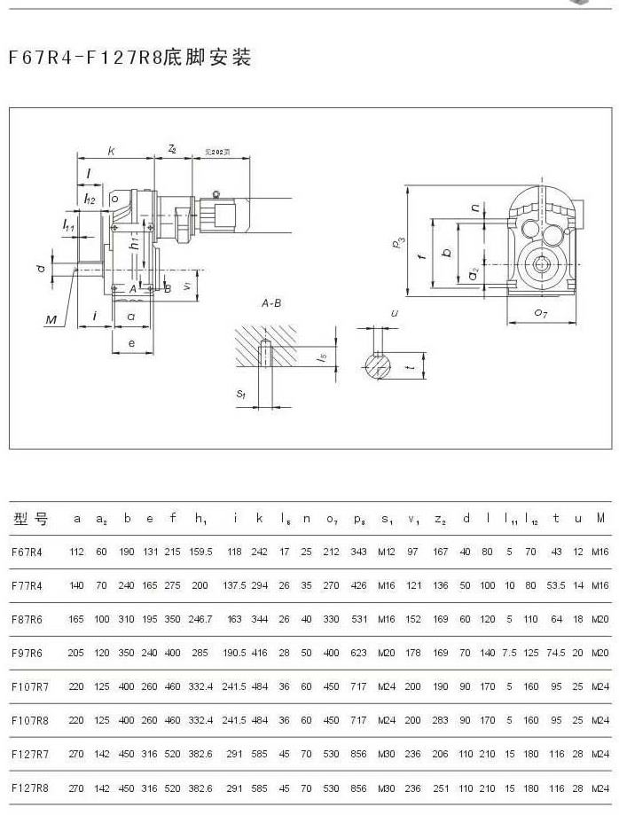
F67R4-F127R8底腳安裝


上一頁 下一頁

上一頁 下一頁
主站蜘蛛池模板: 玉屏| 台安县| 清徐县| 沙湾县| 辽阳县| 张家港市| 横山县| 陕西省| 颍上县| 涪陵区| 渝中区| 兴国县| 祁阳县| 宜丰县| 香格里拉县| 德安县| 峨边| 祁阳县| 西青区| 咸宁市| 临颍县| 滨州市| 界首市| 北流市| 兴隆县| 永定县| 常德市| 察哈| 康保县| 石台县| 南岸区| 乐都县| 宜丰县| 囊谦县| 寿光市| 平安县| 汤阴县| 凤翔县| 西乡县| 南汇区| 项城市|