安徽威帆傳動機械有限公司-產品資料

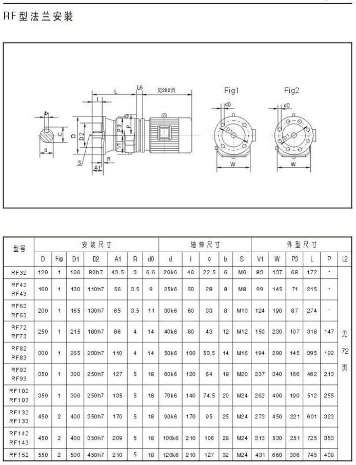
RF型法蘭安裝,外型安裝尺寸


上一頁 下一頁

上一頁 下一頁
主站蜘蛛池模板: 五常市| 定结县| 新田县| 昌都县| 昔阳县| 平乡县| 正安县| 新绛县| 哈巴河县| 万山特区| 山西省| 措勤县| 兴安盟| 大埔区| 石景山区| 湛江市| 黄大仙区| 涟源市| 阿克陶县| 博兴县| 平安县| 西宁市| 民乐县| 平阴县| 蒙山县| 平罗县| 娄底市| 屏南县| 东城区| 宜良县| 铜鼓县| 本溪| 易门县| 绥中县| 通江县| 南丰县| 合江县| 永昌县| 曲沃县| 烟台市| 灵山县|