安徽威帆傳動機械有限公司-產品資料

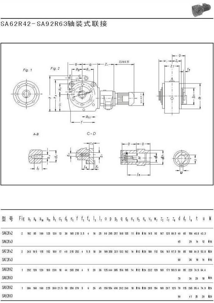
SA62R42-SA96R63軸裝形式聯結參數圖表


上一頁 下一頁

上一頁 下一頁
主站蜘蛛池模板: 河西区| 南木林县| 广饶县| 翼城县| 瑞丽市| 仁化县| 深州市| 金溪县| 曲水县| 稻城县| 万载县| 和田县| 新疆| 巫溪县| 松桃| 云和县| 新干县| 本溪| 新宁县| 娄烦县| 奇台县| 清徐县| 武安市| 沛县| 林口县| 建宁县| 大渡口区| 扎囊县| 河源市| 宜昌市| 翼城县| 南召县| 新宾| 宁武县| 自治县| 鲁山县| 安宁市| 印江| 聂荣县| 汉源县| 大田县|